| Status de disponibilidade: | |
|---|---|
| Quantidade: | |
NUBM3L

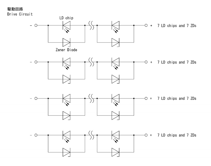
Apresentando o Nichia High-Power Blue Laser Diode Array – um novo pacote de chips LD projetado para desempenho de nível industrial, ostentando um comprimento de onda de 455 nm e uma impressionante potência de saída total de 164 W. Criado pela Nichia, líder globalmente confiável na fabricação de componentes de laser, conhecido por sua precisão e confiabilidade, esse conjunto se destaca como uma solução de primeira linha para aplicações de laser de alta demanda.
Em sua essência, o conjunto integra 28 chips de diodo laser azul de 6 W de alto desempenho, cada um otimizado para excepcional eficiência de conversão eletro-óptica e longa vida útil operacional – uma vantagem importante para uso industrial e profissional em serviço contínuo. Complementando os chips está uma lente de colimação frontal usinada com precisão (material de vidro de grau óptico), que oferece colimação de feixe superior com um ângulo de divergência baixo (<1,5 graus), garantindo distribuição de energia consistente em todos os feixes de saída. O resultado são 28 feixes de laser fortemente colimados dispostos em uma matriz flexível de série 7 × 4 paralela – uma configuração projetada para se adaptar perfeitamente a vários requisitos de integração de equipamentos, desde projetores compactos até máquinas industriais pesadas.
Este versátil conjunto de diodos laser se destaca em diversas aplicações de alto valor:
Projetores a laser e shows de palco: Fornece luz azul vibrante e de alto brilho com saída estável, perfeita para projeções em grandes locais, instalações multimídia imersivas e performances dinâmicas de palco.
Gravação a laser industrial: fornece energia concentrada para gravação rápida e precisa em materiais como metal, plástico, madeira e acrílico – ideal para produção em lote e personalização de alta precisão.
Solda a laser de precisão: Oferece entrada de calor controlada e perfil de feixe uniforme, permitindo soldagem confiável de microcomponentes na fabricação de eletrônicos (por exemplo, placas de circuito, sensores) com danos térmicos mínimos.
Casos de uso adicionais: Também adequado para corte a laser (materiais finos), pesquisa científica e integração de dispositivos médicos (onde alta potência e estabilidade são essenciais).

Apresentando o Nichia High-Power Blue Laser Diode Array – um novo pacote de chips LD projetado para desempenho de nível industrial, ostentando um comprimento de onda de 455 nm e uma impressionante potência de saída total de 164 W. Criado pela Nichia, líder globalmente confiável na fabricação de componentes de laser, conhecido por sua precisão e confiabilidade, esse conjunto se destaca como uma solução de primeira linha para aplicações de laser de alta demanda.
Em sua essência, o conjunto integra 28 chips de diodo laser azul de 6 W de alto desempenho, cada um otimizado para excepcional eficiência de conversão eletro-óptica e longa vida útil operacional – uma vantagem importante para uso industrial e profissional em serviço contínuo. Complementando os chips está uma lente de colimação frontal usinada com precisão (material de vidro de grau óptico), que oferece colimação de feixe superior com um ângulo de divergência baixo (<1,5 graus), garantindo distribuição de energia consistente em todos os feixes de saída. O resultado são 28 feixes de laser fortemente colimados dispostos em uma matriz flexível de série 7 × 4 paralela – uma configuração projetada para se adaptar perfeitamente a vários requisitos de integração de equipamentos, desde projetores compactos até máquinas industriais pesadas.
Este versátil conjunto de diodos laser se destaca em diversas aplicações de alto valor:
Projetores a laser e shows de palco: Fornece luz azul vibrante e de alto brilho com saída estável, perfeita para projeções em grandes locais, instalações multimídia imersivas e performances dinâmicas de palco.
Gravação a laser industrial: fornece energia concentrada para gravação rápida e precisa em materiais como metal, plástico, madeira e acrílico – ideal para produção em lote e personalização de alta precisão.
Solda a laser de precisão: Oferece entrada de calor controlada e perfil de feixe uniforme, permitindo soldagem confiável de microcomponentes na fabricação de eletrônicos (por exemplo, placas de circuito, sensores) com danos térmicos mínimos.
Casos de uso adicionais: Também adequado para corte a laser (materiais finos), pesquisa científica e integração de dispositivos médicos (onde alta potência e estabilidade são essenciais).