| Status de disponibilidade: | |
|---|---|
| Quantidade: | |
JBP45160Z-002
Detecção industrial de alta precisão, posicionamento de visão de máquina e cenários de fabricação de precisão, apresentando um design de laser de linha uniforme exclusivo de lente Powell, luz azul visível de alto contraste de 450nm, saída de potência estável de 500mW e brilho ajustável contínuo de alta precisão. Otimizado para as principais demandas de aplicações industriais de alta precisão - laser de linha ultrauniforme, alta retilineidade, intensidade de luz ajustável para ambientes complexos e operação estável a longo prazo - ele abandona o defeito de distribuição gaussiana das lentes cilíndricas tradicionais, produz um laser de linha azul completamente uniforme sem 'centro brilhante e borda escura' e realiza ajuste de brilho contínuo por meio de tecnologia de modulação profissional. Com seu sistema óptico de alta precisão de nível industrial, unidade de corrente constante inteligente e design estrutural robusto, é a solução óptica ideal para inspeção de visão mecânica 3D, alinhamento industrial de precisão, detecção de tela plana, posicionamento automatizado de montagem e orientação auxiliar de processamento a laser, melhorando efetivamente a precisão e a eficiência das operações industriais de alta precisão.
Luz azul de 450 nm e potência estável de 500 mW: luz azul visível de alto brilho de 450 nm com contraste visual ultra-alto (muito maior que a luz vermelha) em substratos de metal, não metal, vidro e PCB; A saída de alta potência moderada de 500mW (padrão de segurança de laser Classe IIIa) atende à demanda de energia de aplicações industriais de laser de linha de alta precisão, sem causar danos aos olhos humanos e equipamentos e sem superexposição ou brilho em operação de curto alcance.
Vantagem do núcleo da lente Powell - Laser de linha uniforme absoluto: Adota lente Powell importada de alta precisão (gerador de linha de prisma) otimizada para luz azul de 450 nm, abandona o defeito de distribuição gaussiana de lentes cilíndricas tradicionais, produz um laser de linha azul com uniformidade de energia de 80% sem centro brilhante, borda escura ou ponto quente; a taxa de uniformidade de energia do laser de linha atinge ≥80%, eliminando pontos cegos de detecção e erros de posicionamento causados por intensidade de luz irregular.
Brilho ajustável contínuo de alta precisão: Suporta escurecimento contínuo de modo duplo PWM / TTL (0-100%) com resolução de ajuste de brilho de alta precisão (± 1%); a intensidade da luz pode ser ajustada de forma flexível de acordo com diferentes ambientes de trabalho (forte luz ambiente/câmara escura) e características do objeto detectado (alta refletividade/baixa refletividade), realizando saída óptica adaptativa para cenários industriais complexos.
Sistema óptico de alta precisão de nível industrial: Equipado com grupo de lentes ópticas de revestimento AR anti-reflexo importado (otimizado para 450nm), colimação a laser de alta precisão e design de modelagem; e nenhuma distorção ou deflexão de linha em longas distâncias de trabalho (0,1-5m), atendendo aos requisitos de posicionamento e detecção em nível de mícron de aplicações industriais de alta precisão.
Projeto estrutural industrial robusto: invólucro integrado em liga de alumínio anodizado 6063 com usinagem CNC de alta precisão, excelente resistência à interferência eletromagnética (EMI) e desempenho antivibração (resistente à vibração 5G); estrutura de dissipação de calor passiva eficiente e integrada, resolvendo o problema de acumulação térmica de potência de 500mW.
| Comprimento de onda | 450nm |
| Potência de saída | <550mW |
| Tensão de trabalho | 100-240V |
| Modo de feixe | Laser de linha |
| Largura da linha a laser | <1,5 mm a 2 m de distância |
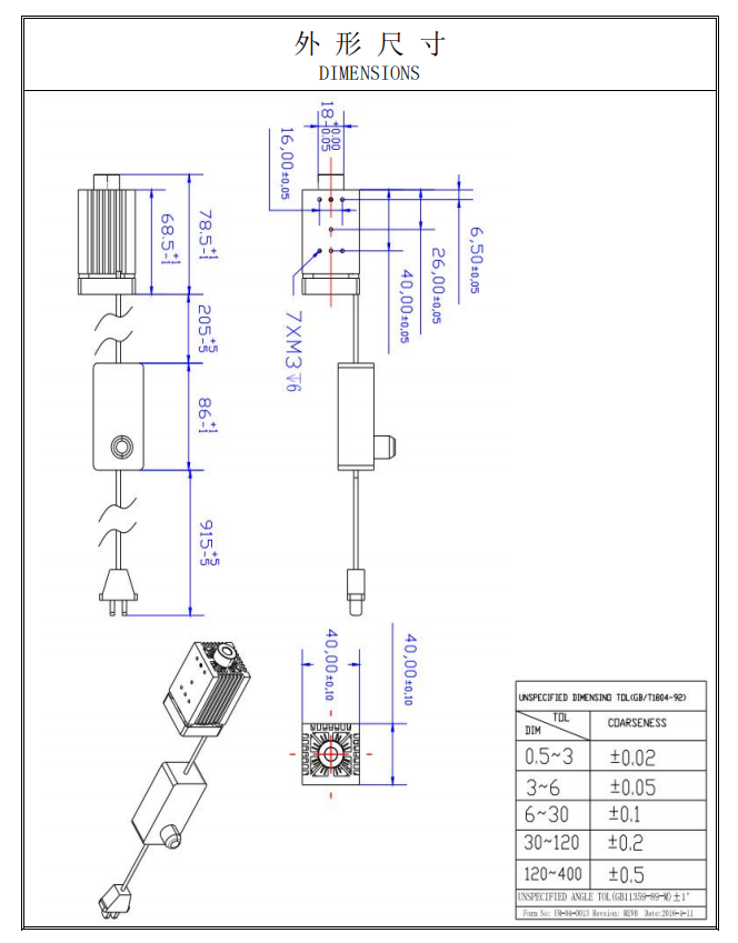
| Tamanho da moradia | 40 * 40 * 78,5 mm (personalizável) |
| Lente | Vidro + Powell |
| Vida útil | > 10.000 horas |
Temos mais de 15 anos de experiência com lasers. Oferecemos serviço profissional OEM e ODM para módulos a laser!
| Item | Parâmetro | ||||
| Comprimento de onda | 375-405nm | 425-488nm | 515-520nm | 635-670nm | 780-980nm |
| Potência óptica do módulo de diodo único | 20mW-3W | 20mW-3W | 10mW-1,6W | 5mW-2,5W | 5mW-75W |
| Módulo Multi Diodes Power | 3W-200w | 6W-500W | 1.6W-50W | 2.5W-30W | 75W-100W |
| Tensão operacional | 3-5V/ 6V/ 12V/ 24V/ 30V/ 110V/ 220V/ 240V etc. | ||||
| Modo de ponto | Ponto/ linha/ cruz/ grade/ lines muti/ corça etc. | ||||
| Opções do ângulo do ventilador do feixe de linha | 5 °/10 °/15 °/20 °/25 °/30 °/45 °/60 °/90 °/110 °/130 °/180 ° etc. | ||||
| Lente óptica | Lentes acrílicas, lentes de vidro, lentes de onda, lentes Powell etc. | ||||
| Dimensão | 4*8mm/ 6*10,5mm/12*15mm/9*21mm/16*66mm/ 33*33*55mm etc. | ||||
| CDRH CLASS | classe1/classe2/classe3R/classe3B/classe4 | ||||
Detecção industrial de alta precisão, posicionamento de visão de máquina e cenários de fabricação de precisão, apresentando um design de laser de linha uniforme exclusivo de lente Powell, luz azul visível de alto contraste de 450nm, saída de potência estável de 500mW e brilho ajustável contínuo de alta precisão. Otimizado para as principais demandas de aplicações industriais de alta precisão - laser de linha ultrauniforme, alta retilineidade, intensidade de luz ajustável para ambientes complexos e operação estável a longo prazo - ele abandona o defeito de distribuição gaussiana das lentes cilíndricas tradicionais, produz um laser de linha azul completamente uniforme sem 'centro brilhante e borda escura' e realiza ajuste de brilho contínuo por meio de tecnologia de modulação profissional. Com seu sistema óptico de alta precisão de nível industrial, unidade de corrente constante inteligente e design estrutural robusto, é a solução óptica ideal para inspeção de visão mecânica 3D, alinhamento industrial de precisão, detecção de tela plana, posicionamento automatizado de montagem e orientação auxiliar de processamento a laser, melhorando efetivamente a precisão e a eficiência das operações industriais de alta precisão.
Luz azul de 450 nm e potência estável de 500 mW: luz azul visível de alto brilho de 450 nm com contraste visual ultra-alto (muito maior que a luz vermelha) em substratos de metal, não metal, vidro e PCB; A saída de alta potência moderada de 500mW (padrão de segurança de laser Classe IIIa) atende à demanda de energia de aplicações industriais de laser de linha de alta precisão, sem causar danos aos olhos humanos e equipamentos e sem superexposição ou brilho em operação de curto alcance.
Vantagem do núcleo da lente Powell - Laser de linha uniforme absoluto: Adota lente Powell importada de alta precisão (gerador de linha de prisma) otimizada para luz azul de 450 nm, abandona o defeito de distribuição gaussiana de lentes cilíndricas tradicionais, produz um laser de linha azul com uniformidade de energia de 80% sem centro brilhante, borda escura ou ponto quente; a taxa de uniformidade de energia do laser de linha atinge ≥80%, eliminando pontos cegos de detecção e erros de posicionamento causados por intensidade de luz irregular.
Brilho ajustável contínuo de alta precisão: Suporta escurecimento contínuo de modo duplo PWM / TTL (0-100%) com resolução de ajuste de brilho de alta precisão (± 1%); a intensidade da luz pode ser ajustada de forma flexível de acordo com diferentes ambientes de trabalho (forte luz ambiente/câmara escura) e características do objeto detectado (alta refletividade/baixa refletividade), realizando saída óptica adaptativa para cenários industriais complexos.
Sistema óptico de alta precisão de nível industrial: Equipado com grupo de lentes ópticas de revestimento AR anti-reflexo importado (otimizado para 450nm), colimação a laser de alta precisão e design de modelagem; e nenhuma distorção ou deflexão de linha em longas distâncias de trabalho (0,1-5m), atendendo aos requisitos de posicionamento e detecção em nível de mícron de aplicações industriais de alta precisão.
Projeto estrutural industrial robusto: invólucro integrado em liga de alumínio anodizado 6063 com usinagem CNC de alta precisão, excelente resistência à interferência eletromagnética (EMI) e desempenho antivibração (resistente à vibração 5G); estrutura de dissipação de calor passiva eficiente e integrada, resolvendo o problema de acumulação térmica de potência de 500mW.
| Comprimento de onda | 450nm |
| Potência de saída | <550mW |
| Tensão de trabalho | 100-240V |
| Modo de feixe | Laser de linha |
| Largura da linha a laser | <1,5 mm a 2 m de distância |
| Tamanho da moradia | 40 * 40 * 78,5 mm (personalizável) |
| Lente | Vidro + Powell |
| Vida útil | > 10.000 horas |
Temos mais de 15 anos de experiência com lasers. Oferecemos serviço profissional OEM e ODM para módulos a laser!
| Item | Parâmetro | ||||
| Comprimento de onda | 375-405nm | 425-488nm | 515-520nm | 635-670nm | 780-980nm |
| Potência óptica do módulo de diodo único | 20mW-3W | 20mW-3W | 10mW-1,6W | 5mW-2,5W | 5mW-75W |
| Módulo Multi Diodes Power | 3W-200w | 6W-500W | 1.6W-50W | 2.5W-30W | 75W-100W |
| Tensão operacional | 3-5V/ 6V/ 12V/ 24V/ 30V/ 110V/ 220V/ 240V etc. | ||||
| Modo de ponto | Ponto/ linha/ cruz/ grade/ lines muti/ corça etc. | ||||
| Opções do ângulo do ventilador do feixe de linha | 5 °/10 °/15 °/20 °/25 °/30 °/45 °/60 °/90 °/110 °/130 °/180 ° etc. | ||||
| Lente óptica | Lentes acrílicas, lentes de vidro, lentes de onda, lentes Powell etc. | ||||
| Dimensão | 4*8mm/ 6*10,5mm/12*15mm/9*21mm/16*66mm/ 33*33*55mm etc. | ||||
| CDRH CLASS | classe1/classe2/classe3R/classe3B/classe4 | ||||