| Status de disponibilidade: | |
|---|---|
| Quantidade: | |
GH04C06W9G

O diodo laser azul de alta potência TO5 9 mm 435 nm 6 W GH04C06W9G - uma fonte de luz de emissor único de última geração otimizada para aplicações industriais de alta intensidade. Aproveitando a avançada tecnologia de diodo laser multimodo da Sharp, este dispositivo de comprimento de onda azul de 435 nm oferece potência de pico de 6 W CW em um pacote CAN TO5 de 9 mm compacto, combinando brilho excepcional, absorção de material superior e desempenho confiável para aplicações industriais, científicas e especializadas exigentes.
Comprimento de onda de ultra-alta potência de 435 nm: interação excepcional de materiais
O comprimento de onda azul-violeta de 435 nm (± 5 nm) oferece absorção 4–10 vezes maior em cobre, ouro, alumínio e outros metais não ferrosos em comparação com lasers IR de 1064 nm.
A potência de saída de 6 W CW (a Tc=25°C) permite o processamento rápido do material com danos térmicos mínimos.
A oscilação TE multimodo garante distribuição uniforme de energia para resultados consistentes em grandes áreas.
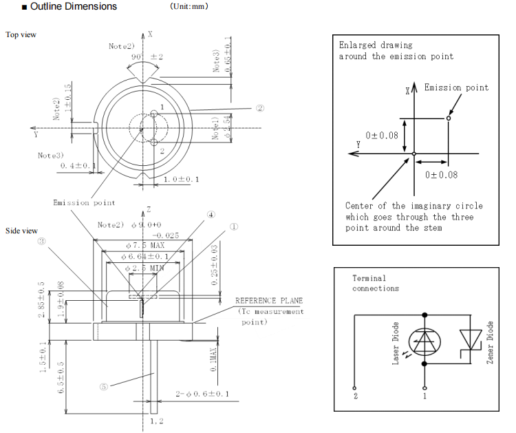
Pacote CAN compacto TO5 9mm: Integração com eficiência de espaço
Tamanho da abertura: largura do emissor de 45μm para controle preciso do feixe
1. Processamento de materiais industriais
Vaporização a laser e deposição de filmes finos para fabricação de semicondutores.
Marcação e gravação em alta velocidade em metais, plásticos e cerâmicas.
Corte preciso de materiais finos (≤1mm) com zona mínima afetada pelo calor.
Soldagem e soldagem de componentes de cobre e ouro (4–10x mais rápido que lasers IR).
2. Pesquisa Científica e Instrumentação
Experimentos de ciência de materiais (cinética de vaporização, modificação de superfície).
Fonte de excitação de fluorescência para análises biológicas e químicas.
Fonte de luz de alta potência para espectroscopia e interferometria.
Desenvolvimento de protótipos para sistemas laser de próxima geração.
3. Fabricação Especializada
Processamento de dispositivos médicos (marcação estéril, corte de precisão).
Impressão 3D de materiais metálicos e poliméricos.
Reparo e retrabalho de componentes eletrônicos.
Tecnologia de exibição (retroiluminação, sistemas de projeção).
4. Automação e Robótica
Sistemas laser integrados para linhas de produção automatizadas.
Os sistemas de visão mecânica e alinhamento requerem luz azul de alta intensidade.
Inspeção de controle de qualidade com iluminação de alto contraste.



O diodo laser azul de alta potência TO5 9 mm 435 nm 6 W GH04C06W9G - uma fonte de luz de emissor único de última geração otimizada para aplicações industriais de alta intensidade. Aproveitando a avançada tecnologia de diodo laser multimodo da Sharp, este dispositivo de comprimento de onda azul de 435 nm oferece potência de pico de 6 W CW em um pacote CAN TO5 de 9 mm compacto, combinando brilho excepcional, absorção de material superior e desempenho confiável para aplicações industriais, científicas e especializadas exigentes.
Comprimento de onda de ultra-alta potência de 435 nm: interação excepcional de materiais
O comprimento de onda azul-violeta de 435 nm (± 5 nm) oferece absorção 4–10 vezes maior em cobre, ouro, alumínio e outros metais não ferrosos em comparação com lasers IR de 1064 nm.
A potência de saída de 6 W CW (a Tc=25°C) permite o processamento rápido do material com danos térmicos mínimos.
A oscilação TE multimodo garante distribuição uniforme de energia para resultados consistentes em grandes áreas.
Pacote CAN compacto TO5 9mm: Integração com eficiência de espaço
Tamanho da abertura: largura do emissor de 45μm para controle preciso do feixe
1. Processamento de materiais industriais
Vaporização a laser e deposição de filmes finos para fabricação de semicondutores.
Marcação e gravação em alta velocidade em metais, plásticos e cerâmicas.
Corte preciso de materiais finos (≤1mm) com zona mínima afetada pelo calor.
Soldagem e soldagem de componentes de cobre e ouro (4–10x mais rápido que lasers IR).
2. Pesquisa Científica e Instrumentação
Experimentos de ciência de materiais (cinética de vaporização, modificação de superfície).
Fonte de excitação de fluorescência para análises biológicas e químicas.
Fonte de luz de alta potência para espectroscopia e interferometria.
Desenvolvimento de protótipos para sistemas laser de próxima geração.
3. Fabricação Especializada
Processamento de dispositivos médicos (marcação estéril, corte de precisão).
Impressão 3D de materiais metálicos e poliméricos.
Reparo e retrabalho de componentes eletrônicos.
Tecnologia de exibição (retroiluminação, sistemas de projeção).
4. Automação e Robótica
Sistemas laser integrados para linhas de produção automatizadas.
Os sistemas de visão mecânica e alinhamento requerem luz azul de alta intensidade.
Inspeção de controle de qualidade com iluminação de alto contraste.

